Наверх
«Фабрика объявлений»

в социальных сетях

  • Мы в соц. сетях - Vkontakte
  • Мы в соц. сетях - Facebook
  • Youtube
  • Мы в соц. сетях - Odnoklassniki
  • Мы в соц. сетях - Мой мир

Полезная страница?

Coхранить в закладках
Не пропускай выгодные объявления!

Подключай нашего Telegram-бота и получай свежие предложения первым!

Telegram-бот портала Фабрика объявлений
× Уважаемый пользователь! на Вашем браузере установлен блокировщик рекламы который может вызвать некорректную работу сайта, подробнее

Переходники для кокилей гост 21090-75 в Елабуге

  • Татарстан Елабуга

  • Размещено: 21 июля 7:25
  • Обновлено: 30 сентября 11:10
  • Просмотров: 1387
  • Не в сети Автор не в сети, однако, можете позвонить по указанному номеру.

Цена: договорная

Золотая Звезда - Евгений с нами более четырёх лет! Евгений (Компания)

Показать телефон

Пожалуйста, скажите автору, что нашли это объявление на доске
«Фабрика объявлений»

Отправить письмо

Отправка сообщения
Нажмите для сканирования QR-кода
QR код

Номер:

17 объявлений пользователя

107615_1626841444 BNS-1076151626841509

Описание

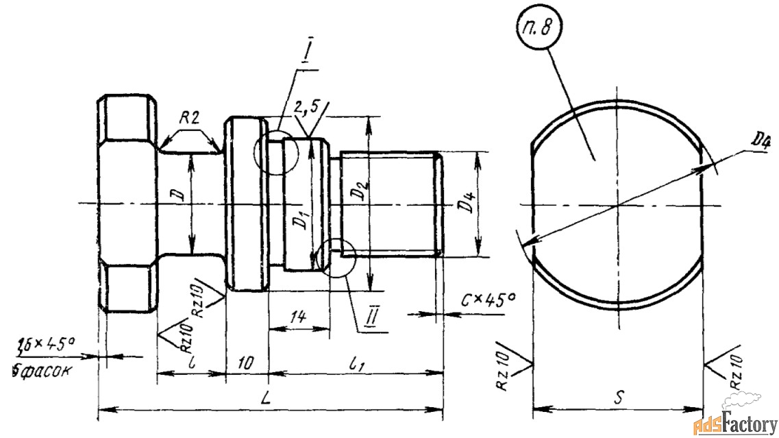
Изготавливаем переходники, предназначенные для крепления плит выталкивателей к штоку кокильных машин по ГОСТ 21090-75, а именно: Переходник 0401-1101 ГОСТ 21090-75, Переходник 0401-1102 ГОСТ 21090-75, Переходник 0401-1103 ГОСТ 21090-75, Переходник 0401-1104 ГОСТ 21090-75, Переходник 0401-1105 ГОСТ 21090-75, Переходник 0401-1106 ГОСТ 21090-75, Переходник 0401-1107 ГОСТ 21090-75, Переходник 0401-1108 ГОСТ 21090-75. Можем делать как условные размеры М24, М30х1,5, М36х1,5, так и по вашим чертежам и параметрам, из сталей 45, 40Х, 40Х13, а так же возможна замена на другие стали с механическими свойствами не ниже, чем у Ст.45. Данный переходник идет с термической обработкой HRC 35-40 и покрытием Хим.Окс.прм (05) или же любым другим по вашему желанию.

Моб. +7(950)848-55-19
Раб. +7(991)086-37-37
Ссылка
rsk_161@mail.ru

кокильная машина, машина кокильного литья, кокильные машины для литья металлов, купить кокильную машину, кокильная машина для литья алюминия, выталкиватель, кокиль, литье в кокиль, отливка в кокиль

Читать дальше

Дополнительная контактная информация

  • Контактное лицо: Евгений

  • Номер телефона: +79508485519

Дополнительная информация

Тип предложенияПродам
  • В избранное
  • Пожаловаться
Отправка сообщения


Сделай доброе дело – поделись хорошим предложением! 😀

  • Скопирован

    Прямая ссылка на страницу  

    https://www.adsfactory.ru/dlja-biznesa/syre-tara-tovari-optom/elabuga-gajka-gost-15521-70-15525-70-BNS-1076151626841509 
  • Скопирован

    Опубликовать в блоге (html-код)

    <a target=_blank title="Переходники для кокилей гост 21090-75"  href="https://www.adsfactory.ru/dlja-biznesa/syre-tara-tovari-optom/elabuga-gajka-gost-15521-70-15525-70-BNS-1076151626841509">Переходники для кокилей гост 21090-75</a> 
  • Скопирован

    Опубликовать на форуме (bb-код)

    [url=https://www.adsfactory.ru/dlja-biznesa/syre-tara-tovari-optom/elabuga-gajka-gost-15521-70-15525-70-BNS-1076151626841509]Переходники для кокилей гост 21090-75[/url] 

P.S. Спасибо! 🙂

Похожие объявления


 

Магазин для бизнеса на доске «Фабрика объявлений»

 

 

2017 - 2025 | «Фабрика объявлений» - доска объявлений
FACTORY ALLIANCE © Все права защищены
 
Форма обратной связи на портале «Фабрика объявлений»
Загружем....